
在交流電壓作用下,避雷器的總泄漏電流(全電流)包含阻性電流(有功分量)和容性分量(無功分量)。在正常運行情況下,流過避雷器的主要電流為容性電流,阻性電流只占很小一部分,約10%~20%左右。但當閥片老化、避雷器受潮、內部絕緣部件受損以及表面嚴重污穢時,容性電流變化不多,而阻性電流卻大大增加,所以目前對氧化鋅避雷器主要進行全電流和阻性電流的在線監測。
測量時,可采用交流毫安表A1,也可用經橋式蒸餾器連接的支流毫安表A2。當電流增大到2~3倍時,往往認為已達到危險界限。現場測量經驗表明,這一標準可以有效地監測氧化鋅避雷器在運行中的劣化。
由于MOA的非線性特性,即使外施電壓是正弦的,全電流也非正弦,它包含有高次諧波。使用MOA電流測試儀測量MOA中的三次諧波電流,來推出阻性電流。使用這種方法測量較為方便,但當電力系統中諧波分量較大時,常會遇到困難,難以作出在正確的判斷。
測量三相氧化鋅避雷器的零序電流,是三次諧波法的特殊形式。當3臺避雷器均為同一類型且均正常時,測得的三相基波之相量和接近于零。但避雷器閥片為非線性元件,因而即使三相電源電壓正弦且平衡,仍有三相三次諧波電流之和可以測出。只要三相避雷器不是同步老化的話,就可以采用此法來發現缺陷。
二、阻性電流在線監測
監測流經MOA的阻性電流分量或由此產生的功耗能發現MOA的早期老化,因阻性電流僅占全電流的5%~20%,故監測全電流很難判斷MOA的絕緣劣化,故應進行阻性電流的在線監測。而在線監測MOA全電流、諧波電流、零序電流等方法都只是從MOA下端取得電流信號,但要從全電流中分出阻性分量來,需取試品的端電壓來作為參考信號。
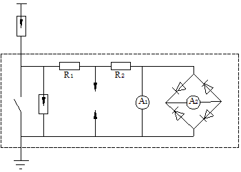
我國引進最多的LCD-4阻性電流測量儀就是利用這原理,其基本原理如圖1-2所示。它是先用鉗形電流互感器(傳感器)從MOA的引下線處取得電流信號I&0,再從分壓器或電壓互感器側取得電壓信號U&S。后者經移相器前移90°相位后得到U&S0(以便與MOA閥片中的容性電流分量I&C同相),再經放大后與I&0一起送入差分放大器。在放大器中,將GU&S0與I&0相減;并由乘法器等組成的自動反饋跟蹤,以控制放大器的增益G使同相的(I&C-GU&S0)的差值降為零,即I&0中的容性分量全部被補償掉,剩下的僅為阻性分量I&R,再根據U&S及I&R即可獲得MOA的功率損耗P了。
采用這種類型的阻性電流監測儀比較方便實用,因為它是以鉗形電流互感器取樣,不必斷開原有接線,而且不需人工調節,自動補償到能直接讀取I&R及P。鉗形電流互感器的磁芯質量很重要,要保證不因各次鉗合時由于電流互感器鐵芯勵磁電流變化而引起比差,特別是角差的改變,并需要采用良好的屏蔽結構以盡量減小在變壓所里實測時外來干擾的影響。國內依據上述原理研制開發出多種阻性電流在線監測儀。
三、在線監測時相間干擾的影響
現場試驗經常發現,當三個同類的MOA組成三相而呈一字形排列時,如用阻性電流在線監測儀進行測量時,讀出這三相MOA各自的I&R及P,往往是中間相的數據居中,而兩邊相中有一相偏大、另一相偏小。那么為什么即使是同型號、同批生產的三臺MOA,在線監測的全電流I&0值相差很小,而阻性分量I&R及功耗P卻有顯著的差別呢?研究表明。這主要是由于在線監測時的相間電容耦合造成的。由于相同電壓耦合的影響,使得邊相MOA上沿高度方向各處的電位已不同相,即并不都與外施電壓的相位保持相同。在國內一般的500KV三相MOA的布置中,邊相MOA最底部閥片上的電壓梯度的相位與外施電壓的相位之間可能有3°左右的相移角α。這樣如采用常規的阻性電流分量的測量原理,仍以外施電壓U&S的相位為準,來區分與其同相的I&R或差90°相位的I&C,那必將對I&R的正確測量帶來嚴重誤差。
比較成功的消除相間干擾的方法是:當測量處于邊相位置的MOA時,不僅用一鉗形電流互感器測取該相MOA下端的電流,且用另一鉗形電流互感器測取與其對稱位置的另一邊相下端的電流。由于相間雜散電容的耦合,使兩邊相下端測得這兩電流之間的相位差已不是120°,而是120°±α,因而可用軟件求出α后將基準電壓相位自動移相α角,然后仍可用常規的測阻性電流方法測出比較準確的I&R及P。另一種方法是在被測MOA的最下端的瓷套外貼以金屬箔電極,認為感應得的電壓相位與最下端閥片上的電壓梯度同相,以此為基準來分辨MOA下端處測得電流中的阻性及容性分量。