
計數器動作的可靠性對于電力系統非常重要,它是記錄避雷器在正常運行中受到雷擊次數統計的一個重要參數。它能為電力系統的工作人員提供有針對性對避雷器進行檢驗的重要依據。那么避雷器計數器校驗儀(交流)的原理?武漢華電高科電力測試專家為你解答。
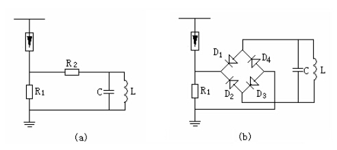
圖1所示為JS型動作記數器的原理接線圖。圖1(a)為JS型動作記數器的基本結構,即所謂的雙閥片式結構。
圖1 JS型動作記數器的原理接線
(a)JS型; (b)JS-8型
R1、R2-非線形電阻;C-貯能電容器
L-記數器線圈; D1~4一硅二極管
當避雷器動作時,放電電流流過閥片R1,在R1上的壓降經閥片R2給電容器C充電,然后C再對電磁式記數器的電感線圈L放電,使其轉動1格,記1次數。改變R1及R2的阻值,可使記數器具有不同的靈敏度。一般最小動作電流為100A(8/20μs)的沖擊電流。因R1上有一定的壓降,將使避雷器的殘壓有所增加,故它主要用于40kV以上的高壓避雷器。
圖1(b)表示 JS-8型動作記數器的結構,系整流式結構。避雷器動作時,高溫閥片R1上的壓降經全波整流給電容器C充電,然后C再對電磁式記數器的L放電,使其記數。該記數器的閥片R1的阻值較小(在10kA時的壓降為1.1kV),通流容量較大(1200A方波),最小動作電流也為100A(8/20s)的沖擊電流。JS-8型記數器可用于6.0~330kV系統的避雷器,JS-8A型記數器可用于500kV系統的避雷器。