
接地電阻測試是用于電力、通信、鐵路及工礦企業等部門各種裝置接地電阻值的測量。同時,可測量土壤電阻率及地電壓。那么接地電阻測試儀如何進行土壤電阻率的測量?武漢華電高科專家為你解答。
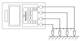
在被測區沿直線插入地下4根金屬棒,彼此相距為“a”厘米,棒的埋入深度不宜超過距離“a”的1/20,按圖所示連接方式用4根測試線將4根探棒與C1、P1、P2、C2四個測試孔相連,選擇適當量程,按一下測試按鈕TEST,電流指示燈綠色變為紅色,顯示屏上顯示電阻歐姆值,被測區的土壤電阻率用下式計算:
ρ=2πaR
式中
R:測得的電阻數值 (Ω)
a: 棒與棒間的距離 (cm)
ρ:被測區的土壤電阻率 (Ω·cm)
接地電阻測試儀進行土壤電阻率的測量時需注意事項:
● 測試完畢,應立即按一下TEST測試按鈕,關閉測試電流,以利省電。當顯示屏上出現欠壓指示符時,應立即更換新電池,否則儀表無法正常工作。
● 當被測接地極開路或電流極輔助接地電阻大于各檔允許的Rc值時,表頭將給出 “OPEN CIRCUIT”指示,此時應檢查C2至C1的測試線是否接通或接觸不良;或降低RC值。
● 輔助接地電阻及地電壓引起的測量誤差
允許輔助接地電阻RC(C1與C2之間)<2KΩ;
RP(P1與P2之間)<40KΩ誤差≤±5%
允許地電壓≤5V(工頻有效值) 誤差≤±5%
以上就是接地電阻測試儀的土壤電阻率的測量方法,了解更多接地及絕緣測試可在線咨詢我們。